
24小時服務熱線:135-0317-6066
Product display
Hot News
Contact Us
河北省獻縣滄恒環保設備廠
聯系人:王經理
電 話:0317-4641055
手 機:135-0317-6066
郵 箱:cangheng@qq.com
地 址:獻縣陳莊鎮經濟開發區




一、概述
MDC防爆型布袋除塵器和PDC普通型布袋除塵器是國家建材局合肥水泥研究設計院最新研制的一種高效布袋除塵器。該設備的研制是在吸取國外同類設備先進經驗的基礎上,結合國內具體情況而完成的。MDC防爆型布袋除塵器采用負壓工作,用于煤磨系統收塵在江蘇坯縣水泥廠投運成功、是國家“七·五”期間科技攻關項目。
MDC防爆型布袋除塵器采用防電濾料,機體具有防爆結構,并設有泄壓裝置,具有防爆性能。適用于煤粉制備系統以及易燃,易爆粉塵的收集。該設備機械動作部件少,維修工作量小,換袋方便,由于采用脈動分室清灰,收塵效率高,能夠長期,高效運行,收塵效率在99.8%以上。PDC普通型布袋除塵器沒有防爆性能外,具有上述同樣優點。可以泛地應用于水泥、電力、冶金、化工等工作廢氣的收塵。如水泥磨、生料磨、礦山破碎、物料提升運輸等揚塵點的收塵均可使用。

二、工作原理與結構形式
1、工作原理
MDC/PDC型布袋除塵器采用了慣性除塵器和布袋除塵器相結合的方式,所以具有二級收塵的作用。含塵氣體首先進入預收塵室,碰到設置的障礙物,迫使含塵氣流方向急劇改變,粗顆粒粉塵由于碰撞到障礙物而改變了原來的運動方向。一部分落入灰斗,余者隨氣流進入裝有濾袋的過濾室粉塵附著于濾袋的外表面,凈氣透過濾袋后徑過上部凈氣室、排風道、風機排出。
隨著濾袋織物表面附著粉塵的增厚,除塵器阻力隨即上升,需要進行清灰,附著在濾袋外表面的粉塵、利用吹入濾袋內部的脈動氣流進行清灰,清灰工作逐室時行,這種脈動氣流在使濾袋整體獲得均勻振動的同時,又可以從里向外吹透濾袋,因而有較高的清灰效果。清灰室的切換動作是由電磁閥控制,壓縮空氣帶動氣缸閥來完成的,整個清灰工作,由反吹風機、脈動閥、氣缸內蒙及清灰控制系統完成。
2、 結構形式
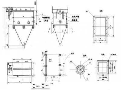
MDC/PDC型布袋除塵器采用負壓操作外濾形式,除塵器外形如圖所示。

除塵器由1—含塵氣體入口,2—過濾室,3—凈氣出口,4—反吹清灰裝置,5—防爆閥,6—灰斗,7—卸灰閥等主要部件組成。
3、清灰控制系統
清灰控制方式分為定時,定阻兩種方式,定時控制根據達到設計阻力所需的時間調整清灰周期等時間參數,進行自動輪流清灰,周期進行,定阻控制按達到事先設定的除塵器阻力自動清灰。除塵器單室反吹風時間、每室之間的反吹時間間隔、卸灰動作時間、輸送時間等參數都可以由人為改變。
清灰控制裝置分微處理機自動控制和手動控制兩種,微機系統定時清灰卸灰、排灰各參數可以通過計算機鍵盤任意修改。定阻清灰是除塵器壓變送器信號輸入微機,然后發出指令驅動清灰裝置。
手動控制也可以定時定阻兩種。由操作工作根據時間以驗參數。按時間或壓力顯示儀表所示阻力值進行清灰操作。
三、規格與性能
型號 | MDC型(PDC) | ||||
性能項目 規 格 | MDC24—3 (PDC24—3) | MDC31—3 (PDC31—3) | MDC42—3 (PDC42—3) | MDC56—3 (PDC56—3) | MDC52—4 (PDC52—4) |
處理風量m3/h | 3500—4375 | 4500—5625 | 6000—7500 | 8000—10020 | 10000—12500 |
過濾面積㎡ | 73 | 94 | 125 | 167 | 208 |
單元數 | 3 | 3 | 3 | 3 | 4 |
濾袋總條數 | 24 | 24 | 24 | 30 | 40 |
過濾風速m/min | 0.8—1.0 | 同左 | 同左 | 同左 | 同左 |
收塵器阻力Pa | —1200 | 同左 | 同左 | 同左 | 同左 |
除塵效率% | >99.8 | 同左 | 同左 | 同左 | 同左 |
適用溫度℃ | <110 | <110 | <110 | <110 | <110 |
外型尺寸㎜ (長×寬×高) |
A×B×C (見表2) | ||||
設備重量(T) | 3.45 | 3.45 | 4.03 | 4.6 | 5.75 |
備注 |
MDC: 表示煤磨型袋收塵器 ××—:表示單室過濾面積整數值 —××:表示室數 | ||||
表二
MDC73—3 (PDC73—3) | MDC75—5 (PDC75—5) | MDC76—6 (PDC76—6) | MDC77—7 (PDC89—7) | MDC89—7 (PDC89—8) | MDC47—16 (PDC47—16) |
14000—17500 | 18000—22500 | 2200—27500 | 2600—32500 | 3000—37500 | 36000—45000 |
292 | 375 | 458 | 542 | 625 | 750 |
4 | 5 | 6 | 7 | 7 | 16 |
40 | 50 | 60 | 70 | 70 | 80 |
0.8—1.0 | 0.8—1.0 | 0.8—1.8 | 0.8—1.0 | 同左 | 同左 |
—12000 | —1200 | 同左 | 同左 | 同左 | 同左 |
>99.8 | 同左 | 同左 | 同左 | 同左 | 同左 |
<110 | <110 | <110 | <110 | <110 | <110 |
6.9 | 9.2 | 10.4 | 12.7 | 15 | 17.25 |
PDC××—×× PDC: 表示普通型收塵器 ××—:表示單室過濾面積整數值 —××:表示室數 | |||||
備注:以上所有技術參數僅供參考,如有更改不另行通知。
四、使用條件
1、運行阻力
常溫工況空載運行阻力為10—50毫米水柱,負載運行一般控制在100—120毫米水柱。
2、運行溫度
入口溫度應根據濾料材質而定。針刺氈或208工業滌綸濾料,入口溫度應<110℃。為了防止結露正常運行溫度應高于過濾氣體的露點溫度10 ℃以上。
3、過濾風速
過濾風速(米/分)是指單位時間內,單位面積濾布上通過的氣體量。它的選擇是根據粉塵的性質,選用濾料的要求、種類及清灰方式等因素來決定。過濾風速不僅決定了除塵器的大小,而且對收塵效率、流體阻力、清灰效果等均有影響,為保證除塵器的高效率和濾袋壽命,過濾風速一般不超過1.0米/分為宜。
4、濾料選擇
MDC系列煤磨防爆布袋除塵器采用防靜電針刺氈濾料,PDC系列布袋除塵器采用無防針刺氈或208工業滌綸。也可根據用戶不同的需要配置不同濾料。
五、MDC/PDC型布袋除塵器外形尺寸
L | M1 | M2 | M | a1 | a1×n2 | a3 | b1 | n2×b2 | b3 | D1 | D2 | D3 | n3—Φ |
1516 | 1802 | 0 | 300 | 3×120 | 420 | 400 | 4×115 | 520 | 250 | 290 | 320 | 8—Φ8 | |
1954 | 1802 | 0 | 300 | 3×120 | 420 | 400 | 4×115 | 520 | 250 | 290 | 320 | 8—Φ8 | |
2492 | 1802 | 0 | 400 | 4×115 | 520 | 500 | 5×112 | 620 | 250 | 290 | 320 | 8—Φ8 | |
2492 | 2210 | 0 | 400 | 4×115 | 520 | 600 | 5×132 | 720 | 250 | 290 | 320 | 8—Φ8 | |
2492 | 1471 | 1471 | 400 | 4×115 | 520 | 800 | 6×144 | 920 | 250 | 290 | 320 | 8—Φ8 | |
2902 | 1471 | 1471 | 450 | 4×130 | 570 | 800 | 6×144 | 920 | 300 | 340 | 380 | 8—Φ8 | |
2902 | 1200 | 1200 | 3670 | 450 | 4×130 | 570 | 850 | 8×144 | 970 | 300 | 340 | 380 | 8—Φ8 |
2902 | 1400 | 1400 | 4400 | 450 | 4×130 | 570 | 850 | 8×144 | 970 | 300 | 340 | 380 | 8—Φ8 |
3474 | 1700 | 1700 | 5130 | 550 | 5×122 | 670 | 900 | 8×120 | 1020 | 300 | 340 | 380 | 8—Φ8 |
3524 | 1700 | 1700 | 5130 | 600 | 5×132 | 720 | 1000 | 9×118 | 1120 | 300 | 340 | 380 | 8—Φ8 |
3524 | 1918 | 1918 | 5860 | 660 | 5×132 | 720 | 1200 | 9×140 | 1260 | 250 | 290 | 320 | 8—Φ8 |
說 明:
1、設備運行需用3—5kg/C㎡壓縮空氣,點劃線部分的管道由用戶設計制造。
2、反吹風管要求延伸到下一個樓層,點劃線部分管道由用戶自行安裝。
3、圖中點劃線所示樓梯由用戶配裝。
4、設備可采用兩種方法安裝,用支架以承在基礎上或直接支承在基礎上。
D—D圖中虛線位置為后種安裝時的預留孔位置。
六、安裝維護基本要求
(一) 設備安裝
1、MDC/PDC型布袋除塵器可戶內安裝亦可戶外安裝,但以戶內安裝為好,特別是北方寒冷地區以戶內安裝為宜。戶外安裝需搭防雨棚,戶內安裝時設備周圍應留有一定的空間以便于設備維修和更換濾袋。
2、箱體各部法蘭連接件之間,加密封墊用螺栓擰緊,所有焊縫不得漏氣。不得有渣屑。
3、安裝完畢后,對除塵器整體部件要進行密閉性檢查,泄壓閥,檢修門及連接不得有任何漏風現象。
4、各機械動作部分動作須靈活、到位,反吹風機旋轉方向正確電磁脈沖閥與殼體之間不得有磨擦現象。
5、壓縮空氣要保證在3—5kg/c㎡壓力,用戶最好單獨備有小型空氣壓縮機。
(二) 維護檢修
1、定期檢查壓縮空氣氣源壓閥、分水過濾器、油霧器、分水過濾器要定時放水,油霧器要定時加油,如氣源壓力不穩定時應及時調整。壓氣管路系統不得漏氣。
2、定時檢查氣缸動作情況,如氣缸有漏氣現象應及時修理。
3、除塵器運行時,隨時監視排放情況如發現煙囪冒灰,應立即檢查濾袋情況。
4、停機前必須清灰一次,把濾袋上的灰清除干凈,并放空灰斗中的積灰,以免積灰沾結或煤粉自然確保設備安全運轉。
5、各轉動部件均應定期注油。
上述為MDC/PDC型布袋除塵器簡要說明書,用戶可根據所列數據尺寸進行選用,如需要本說明系列以外的特殊規格,尺寸的除塵器,要了解詳細情況與合肥水泥研究設計院環保室聯。本室承接各種設計、技術咨詢、現場調試等業務,并接受整套設備的定貨,在安裝試車時我室可派人指導。
七、定貨須知
1、凡訂購本布袋除塵器應說明型號。規格要求。
2、除塵器所需的梯子可由用戶根據實際情況自行配置或在定貨時提出要求。
3、除塵器的保溫材料,用戶可根據實際情況自行解決,也可同時定貨。